HERZ кутијата за поврзување и пуштање во работа на термални единици обезбедува економичен начин на контрола и монтажа на термални единици
Бидејќи современите проектантски системи се секогаш во потрага по економичен начин да се подобрат ефикасноста и пуштањето во погон на системот, производителите на вентили со години развиваат производи со цел подобрување на енергетската ефикасност и намалување на трошоците за инсталација. Изведувачите усвоиле и различни префабрикувани производи во обид да се намали инсталацијата и да се намалат трошоците за пуштање на системот во погон. Во денешно време, акцентот е ставен на заштеда на енергија, па проектантите постојано инсистираат на намалување на трошоците на минимум со користење системи со променлив проток во КГЛ постројки. Вентилите независни од притисок и регулаторите на диференцијалниот притисок обезбедуваат протокот постојано да се контролира според барањата на модерните управувачки системи за контрола на собна температура.

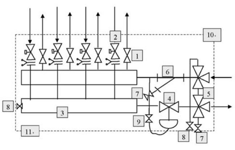
HERZ кутијата за поврзување и пуштање во погон на термалните единици е дизајнирана да обезбеди централизирано место за пуштање во погон на термални единици, како фенкојлери и чилери во КГЛ системите. Сите вентили се вклучени во стандардни HERZ производи, што го обезбедува угледот на HERZ во поглед на квалитетот и доверливоста. Кутијата може да биде опремена со рачни баланс вентили или баланс вентили на моторен погон. Исто така, наместо баланс вентили може да се вградат вентили независни од притисок. Регулаторот на диференцијален притисок е вграден на главниот повратен вод. Единицата се испорачува во изолирана челична кутија, целосно заштитена од кондензација во системите со ладна вода и може да се произведе со лев или десен приклучок.

Се испорачува со изолирани приклучоци на потисната и повратната грана и со филтер за нечистотија со испусна славина на главниот вод. Филтерот за нечистотија со испусна славина обезбедува чистење на ситото без отворање на филтерот за нечистотија и без отстранување на ситото. Вградениот трокрак топчест вентил овозможува испирање на инсталацијата кога е тоа потребно. Вентил за отстранување на воздухот од инсталацијата исто така е инсталиран во изолираната кутија.

